Jin yue huan bao
Product
產品分類CONTACT
聯系我們

山東津岳環保設備有限公司是一家集凈水、環保節能設備、污水處理設備、零排放設備研發、生產、銷售和安裝、調試為一體的高新技術企業。產品主要應用于工礦企業、電力、石油、化工、煤炭、鋼鐵等行業大型工業水處理項目和市政污水項目,并且提供全方位環保節能技術解決方案及運行服務。
XMC系列旋膜式除氧器是一種最新型熱力式除氧器,分為大氣式除氧器和壓力式除氧器,熱力除氧就是將水加熱至沸點,氧的溶解度減小而逸出,再將水面上產生的氧氣排除,使充滿蒸汽,如此使水中氧氣不斷逸出,而保證給水含氧量達到給水質量標準要求,防止鍋爐、省煤器及管道的腐蝕。旋膜式除氧器是最先進的熱力式除氧器。
結構特點:
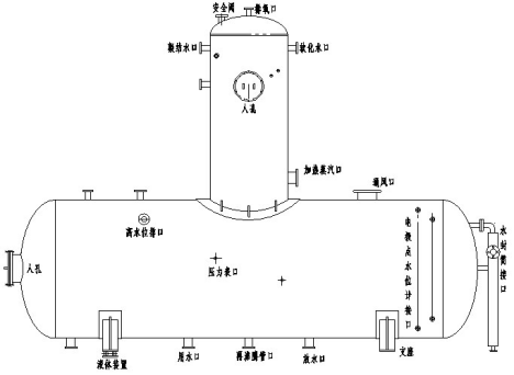
(1) 結構
旋膜除氧器由除氧塔和水箱兩大部分組成。給水除氧和加熱主要在除氧塔內完成。水箱作儲水、緩沖和深度除氧之用,并兼有鍋爐上水時預加熱和保證給水泵安全運行的輔助作用。在除氧塔內裝有兩級除氧組件,一級除氧組件起膜管是傳熱傳質的主要部件,須按設計參數選擇數量和進行工藝結構布置。二級除氧組件是絲網波紋填料。在除氧水箱內裝有蒸汽導管、配水管、再沸騰管、防旋裝置與接管。在除氧塔和水箱上還裝有計量、顯示儀表。
(2)特點:
具有除氧效果高
除氧水含量在機組啟動時為≤30цɡ/L,運行時為≤7цɡ/L,完全符合《汽水發電廠水汽質量標準》的要求,并達到了當前國際使用的規定值。
適應性強
適用于入口水溶氧量高(低壓型:1000цɡ/L;高壓型:2000цɡ/L);入口水溫低(低壓型:13℃;高壓型:60℃);壓力變化大(低壓型:-0.002~0.49MPa;高壓型:-0.05~1.6MPa )的情況下運行,運行方式可用于滑壓、定壓或負壓運行。
穩定性好
當負荷突變25%,瞬間再增補10%時,當改用低溫氣源時,當入口水溫大幅度降低時,其除氧水仍能合格,且除氧器不會發生震動等異常情況。
節能
排汽量小,比其它類型同出力的除氧器少1/2~1/3,不需另加排汽冷卻器,簡化了系統,降低了熱耗。淋水密度大,可達180m3/m2·h。因之體積小,與同出力的其它型號的除氧器相比可節約大量鋼材,因而降低了設備材料費用。它可用于滑壓和定壓運行,當滑壓運行時,可除低熱耗值4kcal/kw·h。
XMC-D型低壓旋膜除氧器技術特性
|
型號 |
運行壓力MPa |
入口溫度℃ |
出口溫度℃ |
入口溶氧μg/l |
出口溶氧μg/l |
運行方式 |
補水率% |
|
XMC-D |
0.02-0.49 |
45 |
104-157 |
7600 |
啟動時100運行時10 |
滑壓、定壓 |
<100 |
XMC-D型低壓旋膜除氧器主要尺寸
|
規格型號 |
L1(mm) |
L2(mm) |
h1(mm) |
h2(mm) |
DN1(mm) |
DN2(mm) |
水箱容積 m3 |
水箱有效 容積m3 |
除氧塔容積 m3 |
|
XMC-10D |
4350 |
1150 |
1870 |
1132 |
1500 |
800 |
7.2 |
5.1 |
1.2 |
|
XMC-25D |
5260 |
1300 |
2210 |
2742 |
1800 |
1000 |
12.6 |
10.0 |
1.6 |
|
XMC-40D |
5900 |
1500 |
2430 |
2980 |
2000 |
1000 |
17.7 |
15.0 |
2.0 |
|
XMC-75D |
6000 |
2000 |
2630 |
3010 |
2200 |
1200 |
21.3 |
17.0 |
2.6 |
|
XMC-150D |
9800 |
3000 |
2830 |
3160 |
2400 |
1500 |
45.0 |
36.0 |
4.4 |
|
XMC-250D |
11000 |
3000 |
3230 |
3360 |
2800 |
1800 |
67.2 |
58.0 |
6.46 |
|
XMC-350D |
14000 |
4000 |
3430 |
3560 |
3000 |
2000 |
95.2 |
76.0 |
10.1 |
XMC-G型高壓旋膜除氧器技術特性
|
型號 |
運行壓力MPa |
入口溫度℃ |
出口溫度℃ |
入口溶氧μg/l |
出口溶氧μg/l |
運行方式 |
補水率% |
|
XMC-G |
-0.05-1.6 |
60-144 |
110-220 |
1600 |
啟動時30運行時7 |
滑壓、定壓 |
<100 |
XMC-G型高壓旋膜除氧器主要尺寸